咨询热线:139-1608-6012 中文版ENGLISH

欧盟最新发布RED 2014/53/EU 的修订指令

Date: 2022-12-20Hits: 6442
导读: ...

      2022-12-07 欧盟官⽅发布了指令DIRECTIVE (EU) 2022/2380 ,以修订指令 2014/53/EU,主要关于统⼀充电的解决⽅案。

2014/53/EU 被修订的条款如下:

a. Article 3 修订3(a), 插⼊了新的段落;

b. Article 10, paragraph 8;

c. Article 12(4) 插⼊新的⼦段落;

d. Article 13(2);

e. Article 17(2);

f. Article 40;

g. Article 43, paragraph 1;

h. Article 44;

i. Article 47,新增第3 点;


⽆线电设备清单如下:

01

1.1.handheld mobile phones; 

1.2.tablets; 

1.3. digital cameras; 

1.4. headphones;

1.5.headsets; 

1.6.handheld videogame consoles;

1.7. portable speakers; 

1.8. e-readers; 

1.9.keyboards; 

1.10. mice; 

1.11.portable navigation systems;

1.12. earbuds; 

1.13. laptops.

02

以上设备如果配备有Type-C 接⼝或可以通过USB Type-C 接⼝充电的,应满⾜EN IEC 62680-1-3:2021 Part1-3 的规范。

03

⽆线电设备的有线充电电压超过5V,电流超过3A 或功率超过15W,以上⽆线电设备应结合EN IEC 62680-1-2:2021 Part 1-2 的规范;以及确保任何额外的充电协议,⽆论使⽤何种充电器都能满⾜上⼀点(EN IEC 62680-1-2:2021 Part 1-2)的规范。

重要时间节点:

以上1.1 到1.12 所列的⽆线电设备在2024 年12 ⽉28 ⽇实施以上要求;

1.13 的⽆线电设备(laptops)在2026 年4 ⽉28 ⽇实施以上要求。


新的资料要求:

增加了关于充电功能,兼容性充电设备的信息要求和其他声明,安全信息必须以终端⽤户易懂的语⾔包含在使用手册和包装上。

关于充电设备能⼒和兼容性的规格信息应在⽤户⼿册中显示:

按照article 10(8)的要求注明信息,可以通过⼆维码或类似的电⼦⽅式显示。

01

The text:“the power delivered by the charger must be between min [xx] Watts required by the radio equipment, and max [yy] Watts in order to achieve the maximum charging speed”。

02

充电能⼒的规格说明,只要⽆线电设备的充电电压⾼于5V,电流⼤于3A 或充电功率⾼于15W 还需要附件说明⽆线电设备所⽀持的充电协议,显示举例如:”USB PD fast charging”,和显示其他协议来表明所⽀持的其他充电协议。

03

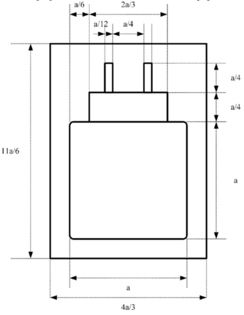
以图形的⽅式显示⽆线电设备是否包含充电设备。

a. 如果包含充电设备显示如下:


b. 如果不包含充电设备


注:以上图形可以在外观上有所变化(如颜⾊,实⼼或空⼼,线条粗细)只要保持可⻅和易读;⼤⼩应根据以上⽐例调整,a 的尺⼨必须⼤于或等于7mm.

c. 标签的内容和格式

注:”XX”应该表示为⽆线电设备所需的最⼩功率,“YY”应该表示为⽆线电设备达到最快充电速度的⾄少所需的功率;USB PD”是 (USB Power Delivery) 的缩写。

原文链接:https://eur-lex.europa.eu/eli/dir/2022/2380/oj


检测中心
认证服务
新闻动态
关于联路
服务支持
联系我们

业务咨询:

18317127926-许冲

公司地址:上海市嘉定区安亭镇安拓路创新港5栋4单元;

邮箱:Bob.xu@aas-sh.com;

Copyright © 2025-2026 http://www.aas-sh.com 联路安行(上海)标准技术服务有限公司 版权所有
检测认证公司   认证机构

微信咨询

微信咨询微信咨询

专线联系

13916086012
专线联系电话

微信公众号

微信咨询关注微信公众号